
Ale -30%
OMT
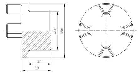
PUMPUNKANNATIN (5,5-7,5kw) (127 mm/2 pult.SAE C)
TH3-127A
Alumiininen pumpun kannatin
Tuotekoodi: TH3-127A
76,44 €(Sis.alv)Ovh. 109,20 €(Sis.alv)
60,91 €(alv 0%)
Heti omasta varastosta
Tuotteet lähetetään 1-3 arkipäivässä















































Laadukkaat Kytkimet ja pumpunkannattimet löydät verkkokaupastamme sekä myymälöistämme Seinäjoelta ja Vaasasta. Tarvittaessa voit kysyä neuvoa tuotteiden valinnasta ammattitaitoiselta henkilökunnaltamme. Poikkea ostoksille myös suoraan myymäläämme, katso tästä myymälöidemme yhteystiedot ja tutustu myös muihin palveluihimme.